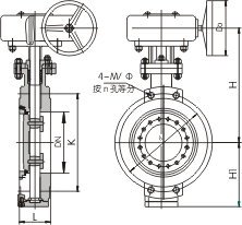
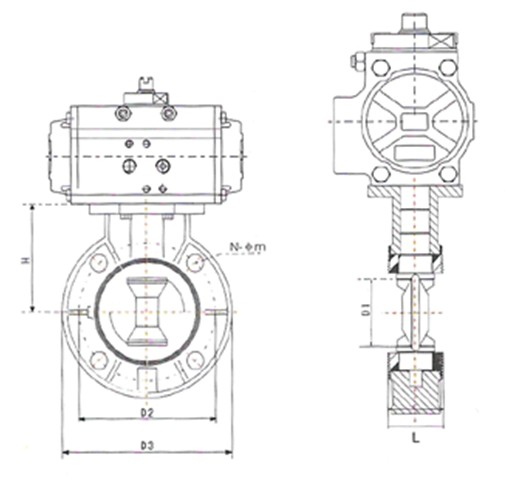
蝶閥的結構詳細圖解


蝶閥也叫蝴蝶閥,顧名思義,它的關鍵性部件好似蝴蝶迎風,自由回旋。蝶閥的閥瓣是圓盤,圍繞閥座内的一個軸旋轉,旋角的大小,便是閥門的開閉度。
蝶閥是用圓形蝶闆作啓閉件並随閥杆轉動來開啓、關閉和調節流體通道的一種閥門。蝶閥的蝶闆安裝於管道的直徑方向。
在蝶閥閥體圓柱形通道内,圓盤形蝶闆繞著軸線旋轉,旋轉角度爲0°~90°之間,旋轉到90°時,閥門則程全開狀态。改變碟闆的偏轉角度,即可控制介質的流量。
蝶閥型号的編制
01公稱通經代号
美标系列以A××in值表示;國标系列以G××mm值表示,日标系列以J××mm值表示。
02驅動方式代号
1光杆;2鏈輪傳動;3蝸輪傳動;4正齒輪傳動;5傘齒輪傳動;6氣動;6S氣動複位;7液動;8氣液聯動;8H氣液聯動帶緊急切斷;9電動;9A電動調節;9H電液聯動帶緊急切斷。
03閥類代号
D蝶閥;DH止回蝶閥;DZK真空蝶閥;DA調節蝶閥(常用4-20ma信号,其他須注明);DTF調風型調節蝶閥;DS伸縮蝶閥;DKS快速蝶閥(須注明動作時間)。
04公稱壓力級代号
美制系列:150-classl50;300-class300;400-class400;600-class600;900-class900。
國标系列:2.5-PN0.25;6-PN0.6;10-PN10;16-PNl6;25-PN25;40-PN40;64-PN64。
日标系列:10-10K;20-20K。
05連接形式代号
RF-突面法蘭;FF-全平面法蘭;RJ-環接面法蘭;MFM-凹凸面法蘭;TG-榫槽面法蘭;SW-承插焊;BW-對接焊;NPT-螺紋連接;WS-四耳對夾;WL-無耳對夾;WF-單筋型對夾;WU-光孔對夾;LL-全耳螺孔對夾;LU-U-U型螺孔對夾;KG-卡箍式。
06結構形式代号
1中線結構;2雙偏心結構;3三偏心結構;4變偏心結構;5單偏心結構。
07閥座密封面代号
H-Crl3系不鏽鋼;R-M02Ti系不鏽鋼;FH-多層次硬密封;X-橡膠(可另行細分);F-聚四氟乙烯;FX-複合橡膠(耐煤油);XW-白色橡膠;D-滲氮鋼;M-蒙耐爾合金;Y-硬質合金。
08殼體材料代号
C-鑄鋼、P-不鏽鋼304、R-不鏽鋼316、AL-特種合金鋼、Z-鑄鐵、Q-球墨鑄鐵、N-尼龍。
示例:G-9DA16RF3-XP
國标,電動調節蝶閥PN16,RF法蘭連接,三偏心結構,殼體材料SUS304,閥座密封面橡膠。




蝶閥适用場合:
1、蝶閥适用於流量調節。由於蝶閥在管路中的壓力損失比較大,大約是閘閥的三倍,因此在選擇蝶閥時,應充分考慮管路系統受壓力損失的影響,還應考慮關閉時蝶闆承受管道介質壓力的堅固性。此外,還必須考慮在高溫下彈性閥座材料所承受工作溫度的限制。蝶閥的結構長度和總體高度較小,開啓和關閉速度快,且具有良好的流體控制特性,蝶閥的結構原理适合制作大口徑閥門。當要求蝶閥作控制流量使用時,重要的是正確選擇蝶閥的尺寸和類型,使之能恰當地、有效地工作。
2、通常,在節流、調節控制與泥漿介質中,要求結構長度短,啓閉速度快(1/4轉)。低壓截止(壓差小),推薦選用蝶閥。
3、在雙位調節、縮口地通道、低噪聲、有氣穴和氣化現象,向大氣少量滲漏,具有磨蝕性介質時,可以選用蝶閥。
4、在特殊工況條件下節流調節,或要求密封嚴格,或磨損嚴重、低溫(深冷)等工況條件下使用蝶閥時,需使用特殊設計金屬密封帶調節裝置地三偏心或雙偏心地專用蝶閥。
5、中線蝶閥适用於要求達到完全密封、氣體試驗洩漏爲零、壽命要求較高、工作溫度在-10度~150度的淡水、污水、海水、鹽水、蒸汽、天然氣、食品、藥品、油品和各種酸堿及其他管路上。
6、軟密封偏心蝶閥适用於通風除塵管路的雙向啓閉及調節,廣泛用於冶金、輕工、電力、石油化工系統的煤氣管道及水道等。
7、金屬對金屬線密封雙偏心蝶閥适用於城市供熱、供氣、供水等煤氣、油品、酸堿等管路,作爲調節和節流裝置。
8、金屬對金屬面密封三偏心蝶閥除作爲大型變壓吸附(PSA)氣體分離裝置程序控制閥使用外,還可廣泛用於石油、石化、化工、冶金、電力等領域,時閘閥、截止閥的良好替代産品。